EN ISO 13918
Afmetingen Bouten, condensatorlassen

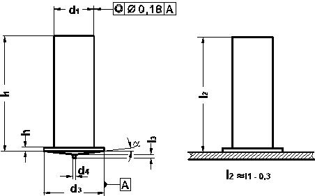
|
d1 |
L1 |
d3 |
d4 |
l3 |
h |
n |
a |
|
M3 |
Lengte |
4.5 |
0.6 |
0.55 |
0.7-1.4 |
1.5 |
3 |
|
M4 |
Lengte |
5.5 |
0.65 |
0.55 |
0.7-1.4 |
1.5 |
3 |
|
M5 |
Lengte |
6.5 |
0.75 |
0.8 |
0.8-1.4 |
2 |
3 |
|
M6 |
Lengte |
7.5 |
0.75 |
0.8 |
0.8-1.4 |
2 |
3 |
|
M8 |
Lengte |
9 |
0.8 |
0.85 |
0.8-1.4 |
3 |
3 |
Afmetingen Cilinder, condensatorlassen

|
d1 |
L1 |
d3 |
d4 |
L3 |
h |
a |
|
f3 |
Lengte |
4.5 |
0.6 |
0.55 |
0.7-1.4 |
3 |
|
f4 |
Lengte |
5.5 |
0.65 |
0.55 |
0.7-1.4 |
3 |
|
f5 |
Lengte |
6.5 |
0.75 |
0.8 |
0.8-1.4 |
3 |
|
f6 |
Lengte |
7.5 |
0.75 |
0.8 |
0.8-1.4 |
3 |
|
f8 |
Lengte |
9 |
0.8 |
0.85 |
0.8-1.4 |
3 |
Afmetingen Cilinder met inwendige draad, condensatorlassen

|
d1 |
d2 |
L1 |
b |
d3 |
d4 |
L3 |
h |
a |
|
5 |
M3 |
Lengte |
5 |
6.5 |
0.75 |
0.8 |
0.7-1.4 |
3 |
|
6 |
M4 |
Lengte |
6 |
7.5 |
0.75 |
0.8 |
0.7-1.4 |
3 |
|
7.1 |
M5 |
Lengte |
7.5 |
9 |
0.8 |
0.85 |
0.8-1.4 |
3 |
|
8 |
M6 |
Lengte |
9 |
9 |
0.8 |
0.85 |
0.8-1.4 |
3 |